文安县中燃宏胜能源科技有限公司
Wen'an Zhongran Hongsheng Energy Technology Co.,Ltd.
走进中燃
新闻中心
服务指南
信息公开
营商环境
网上营业厅
|
走进中燃
新闻中心
服务指南
信息公开
营商环境
网上营业厅
首页
/
信息公开
/
供气安全
/
燃气质量
燃气质量
使用安全
隐患整改
返回上一页
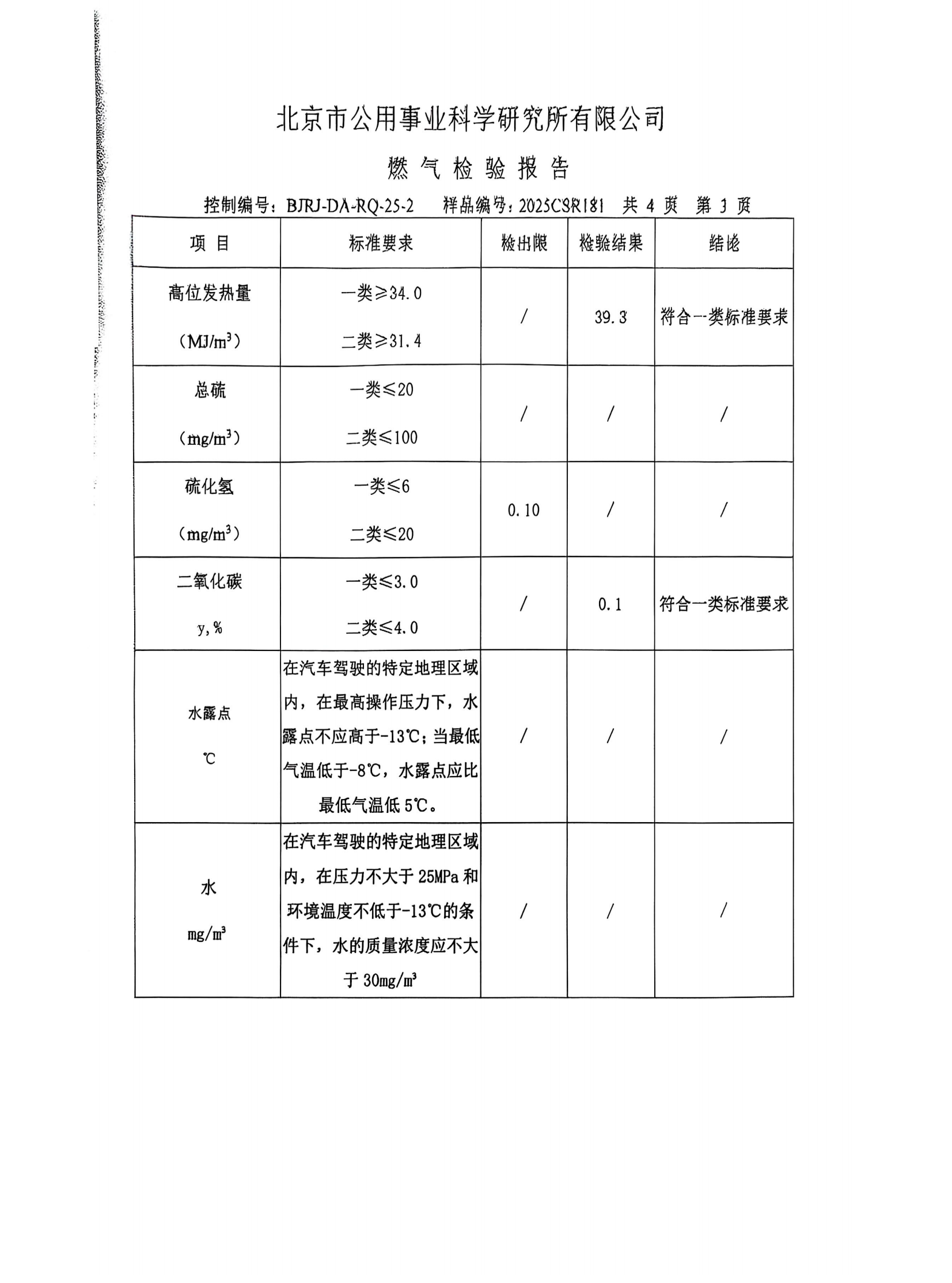
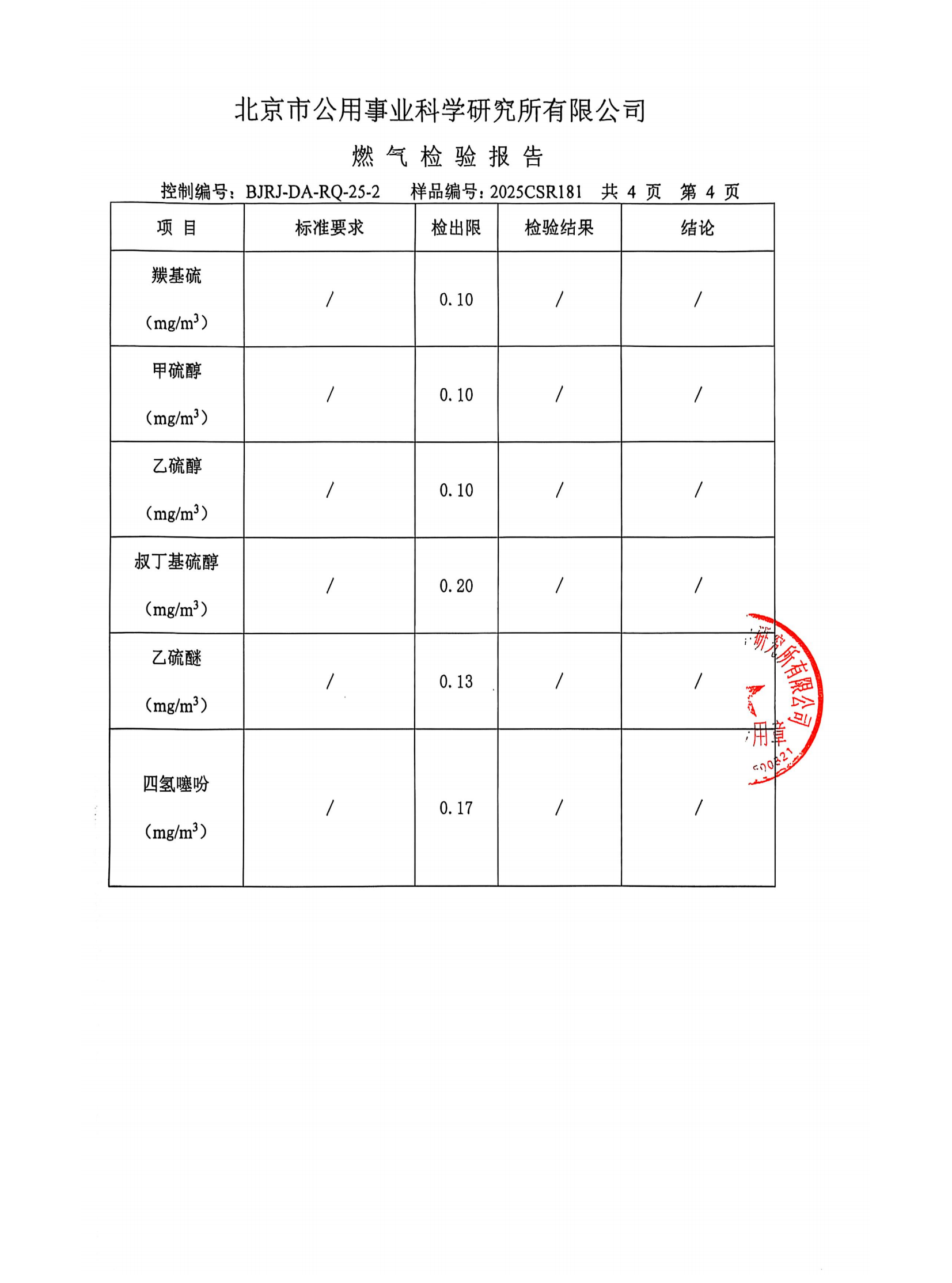
文安中燃2025年4月气质报告
发布时间:2025-04-10
来源:文安中燃宏胜能源科技有限公司
浏览次数: